产品展示
- 视镜
- 洗眼器
- 阻火器
- 静态混合器
- 汽水混合器
- 螺带混合机
- 无重力混合机
- 高剪切混合机
- 氧气混合器
- 夹套式螺带混合机
- 管道过滤器
- 空气过滤器
- 精细过滤器
- 自清洗过滤器
- 采样器
- 排水器
-
消声器
- 管式反应器
- 不锈钢星型卸料阀
联系我们
全国服务热线: 13813618356
南通博文环保设备有限公司联系人:陈经理
手机:13813618356
微信:13813618356
网址:www.qd-bw.com
地址:启东市惠萍镇南清河村20组
消声器
当前位置:首页 - 消声器BW-PA型盘式消声器
发布时间:2021-1-20 14:54:50 阅读:1327 次
一、结构型式
盘式消声器通过吸声盘之间的距离来适应引风机不同的风量,并保持其消声效果不变。
二、适用范围
盘式消声器适用0.5-10t/h小型工业锅炉引风机控制空气动力性噪声,气体含尘量应低于100mg/m3(标况),以免影响使用效果。消声量14~17dB(A),压力损失≤54~100Pa,温度:≤200℃。
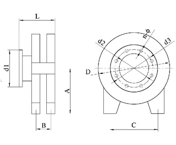
三、规格、性能、外形尺寸
|
型 号
|
适用风量m3/h
|
适用锅炉(t/h)
|
外形尺寸(mm)
|
法 兰 规 格
|
|||||
|
A
|
L
|
D
|
d1
|
d2
|
d3
|
n-Φ
|
|||
|
BW-PA-1
|
2800
|
0.5
|
400
|
336
|
616
|
336
|
250
|
310
|
8-Φ12
|
|
BW-PA-2
|
3100
|
1
|
450
|
336
|
716
|
386
|
300
|
360
|
8-Φ12
|
|
BW-PA-3
|
3500
|
2
|
525
|
486
|
866
|
476
|
390
|
450
|
8-Φ12
|
|
BW-PA-4
|
7000
|
4
|
610
|
591
|
1026
|
538
|
450
|
493
|
10-Φ14
|
|
BW-PA-5
|
9000
|
6
|
800
|
745
|
1500
|
788
|
700
|
755
|
12-Φ14
|
|
BW-PA-6
|
12000
|
8
|
830
|
745
|
1500
|
790
|
700
|
755
|
12-Φ14
|
|
BW-PA-7
|
15400
|
10
|
900
|
745
|
1500
|
790
|
700
|
755
|
12-Φ14
|

